next up previous contents
Nächste Seite: 4 Schlussteil Aufwärts: 3 Theoretischer Teil Vorherige Seite: 10 Parameteridentifikation   Inhalt

Unterabschnitte

11 Folgerungen

Aufgrund der gewonnenen Erkenntnisse soll nun ein Modell entworfen werden, das gleichzeitig aktives und passives Verhalten erfasst. Dieses Modell wird im Folgenden ''gemischtes Modell'' genannt. Mit diesem Modell wird eine Parameterbestimmung durchgeführt. Um aus den ermittelten Parametern Rückschlüsse auf Struktureigenschaften der Muskulatur ziehen zu können, wird dann das Modell modifiziert und ''Strukturmodell'' genannt.

11.1 Das gemischte Modell

Abbildung 57: Blockschaltbild des gemischten Modells mit den Parametern $k_{gem}^{akt}$ und $T_{gem}^{akt}$ bzw. $k_{gem}^{pas}$ und $T_{gem}^{pas}$
Image teil1

In Abschnitt 10.4 wurde festgestellt, dass die Zeitkonstanten etwa gleich sind, die für das Abklingverhalten verantwortlich sind. Deshalb wird das rechte Verzögerungsglied $PT_1$ in Abbildung 45 auf den gleichen Prozess zurückgeführt wie das Verzögerungsglied $PT_1$ in Abbildung 48. Wird unter Berücksichtigung dieser Erkenntnis das $PT_2$-System aus Abbildung 45 und das $PDT_1$-System aus Abbildung 48 kombiniert, so erhält man das gemischte Modell in Abbildung 57, mit dem wir sowohl das aktive als auch das passive Verhalten modellieren können. Dabei ist zu beachten, dass nun auch beim aktiven Verhalten differentielle Anteile mitwirken können. Die zu bestimmenden Parameter dieses Modells lauten im aktiven Fall $k^{akt}_{gem}$ als Verstärkungsfaktor für das proportionale Glied P und $T^{akt}_{gem}$ als Zeitkonstante des differenziellen Gliedes D. Im passiven Fall lauten die Parameter analog $k^{pas}_{gem}$ und $T^{pas}_{gem}$.

11.2 Parameterbestimmung

Abbildung: Histogramme für die Parameterschätzwerte $\hat{k}^{akt}_{gem}$ und $\hat{T}^{akt}_{gem}$
Image lastpara

Für das passive Verhalten ist es nicht notwendig, eine neue Parameterbestimmung durchzuführen. Die Parameter $k^{pas}_{gem}$ und $T^{pas}_{gem}$ können direkt aus den schon ermittelten den Parameterschätzwerten $\hat{k}^{pas}_P$ und $\hat{T}^{pas}_1$ in Tabelle 7 bestimmt werden. Es gilt dabei:

\begin{displaymath}\hat{k}^{pas}_{gem}=\hat{k}^{pas}_P=0.130\pm 0.068
\quad
\mbox{und}\end{displaymath}


\begin{displaymath}\hat{T}^{pas}_{gem}=\hat{k}^{pas}_p\,\hat{T}^{pas}_1=(0.130\pm
0.068\,)(50.8\pm 31.)\, s\,.\end{displaymath}

Aus den in Tabelle 6 angegebenen Parametern des aktiven Verhaltens lassen sich die Parameter des gemischten Modells für das aktive Verhalten bestimmen. In diesem Fall gilt für $k^{akt}_{gem}$ und $T^{akt}_{gem}$:

\begin{displaymath}\hat{k}^{akt}_{gem}=\hat{k}^{akt}_P=2.50\pm0.9\quad \mbox{und}\end{displaymath}


\begin{displaymath}\hat{T}^{akt}_{gem}=0\,,\end{displaymath}

da im $PT_2$-System keine differenziellen Anteile enthalten sind.

Führt man nun eine Parameterbestimmung des aktiven Verhaltens für die Parameter $k^{akt}_{gem}$ und $T^{akt}_{gem}$ wie in Abschnitt 10 für das in Abbildung 57 dargestellte Modell durch, entsteht analog zu Gleichung 33 hier:

\begin{displaymath}
y=f(t;k^{akt}_{gem},T^{akt}_{gem})=y^\ast(t) \quad \mbox{mit}\quad
T^{pas}_1,k^{pas}_P,T^{pas}_D=const.
\end{displaymath} (37)

Dabei gilt analog zu Gleichung 34 für dieses Modell folgendes Differenzialgleichungssystem:
$\displaystyle \hat{T}^{akt}_1\,\dot z(t)+z(t)=$ $\textstyle x(t)\quad \mbox{und}$   (38)
$\displaystyle \frac{1}{2}(\hat{T}^{akt}_2+\hat{T}^{pas}_1)\,\dot
y^\ast(t)+y^\ast(t)=$ $\textstyle k^{akt}_{gem}\,z(t)+T^{akt}_{gem}\,\dot
z(t)\,,$   (39)

das mit geeigneten Nebenbedingungen, wie in Abschnitt 10.2.2, gelöst wird.

Die Parameterschätzwerte ergeben sich damit für die Proben 6-C und 7-C zu:

\begin{displaymath}\hat{k}^{akt}_{gem}=2.54\pm0.86 \quad \mbox{und}\end{displaymath}


\begin{displaymath}\hat{T}^{akt}_{gem}=0.61\pm0.21 \, s\,.\end{displaymath}

Die zugehörigen Histogramme sind in Abbildung 58 dargestellt. Tabelle 8 fasst die gewonnenen Ergebnisse zusammen.


Tabelle 8: Parameterschätzwerte $k$ und $T$ des aktiven und passiven Verhaltens für das gemischte Modell (Abbildung 57)
Parameter Mittelwert Fehlerintervall
$\hat{k}^{pas}_{gem}$ $0.130$ $[0.021,0.281]$
$\hat{T}^{pas}_{gem}$ $6.60\, s$ $[1.23,16.2]$
$\hat{k}^{akt}_{gem}$ $2.54$ $[1.68,3.40]$
$\hat{T}^{akt}_{gem}$ $0.61\, s$ [$0.40,0.82]$


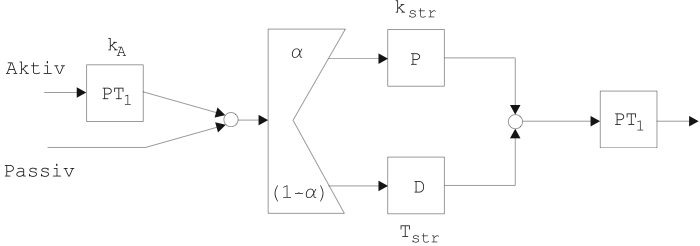
11.3 Das Strukturmodell

Abbildung 59: Blockschaltbild des Strukturmodells mit den Parametern $k_{str}$ und $T_{str}$ , Aufteilungsverhältnis $\alpha $ für aktives und passives Verhalten verschieden $\to $ $\alpha _{akt}$, $\alpha _{pas}$
Image teil2
Obwohl aktives und passives Verhalten am gleichen Gewebe gemessen werden, unterscheiden sich die in Tabelle 8 dargestellten Parameter $\hat{k}_{gem}$ und $\hat{T}_{gem}$ jeweils für aktives und passives Verhalten voneinander deutlich. Dieses ist nicht verwunderlich, denn die ermittelten Parameter setzen sich aus verschiedenen Größen zusammen. Das Strukturmodell in Abbildung 59 soll über die Zusammensetzung der ermittelten Parameter aus dem gemischten Modell in Abbildung 57 Aufschluss geben.

Der Verstärkungsfaktor $k_A$ im linken $PT_1$-Glied, der im gemischten Modell zuvor auf eins gesetzt wurde, ist hier nicht bekannt. Ein Aufteilungsglied wird eingeführt, das über die Gewichtung der differentiellen und proportionalen Anteile entscheidet. Der Aufteilungsparameter $\alpha $ wird für aktives ($\alpha _{akt}$) und passives ($\alpha _{pas}$) Verhalten unterschiedlich angenommen. Die neu eingeführten Verstärkungsfaktoren $k_{stk}$ für das proportionale Glied und $T_{stk}$ für das differenzielle Glied werden jedoch für aktives und passives Verhalten als gleich angenommen. Die Eigenschaften der Gewebeanteile, die Kräfte übertragen, seien also sowohl für passives als auch für aktives Verhalten konstant. Jedoch sollen die Anteile an der Kraftübertragung im passiven und aktiven Fall für die Gewebeanteile mit jeweils differenziellen und proportionalen Verhalten unterschiedlich sein. Damit können wir im einzelnen schreiben:

Aus den Gleichungen 40, 41, 42 und 43 ergibt sich der in Abbildung 60 dargestellte Zusammenhang zu:
\begin{displaymath}
\alpha_{akt}(\alpha_{pas})=\frac{c\,\alpha_{pas}}{1-\alpha_{...
...m}\,\hat{T}^{akt}_{gem})^{-1}=211\,,
\quad c\in\,[120,6560]\,.
\end{displaymath} (44)

Abbildung: Aufteilungsparameter des aktiven Verhaltens $\alpha _{akt}$ über Aufteilungsparameter des passiven Verhaltens $\alpha _{pas}$ aufgetragen, Zusammenhang nach Gleichung 44 für Mittelwert und Fehlergrenzen der fehlerbehafteten Größe $c$
Image last

11.4 Ergebnisse

Abbildung 61: Hämodynamisches Verhalten des Penis beim Hund und Primaten. Oben: arterieller Blutfluss zum Penis. Unten: intrakavernöser Blutdruck. A: Relaxation der glatten Schwellkörpermuskulatur durch Stimulation der parasympatischen Nervenfasern. B: Kontraktion der Mm. ischiocavernosi durch somamotorische Stimulation (befinden sich nicht im hier untersuchten Gewebe), aus [1]
Image errekt
Obwohl der sich aus den ermittelten Parameterschätzwerten (siehe Tabelle 8) zusammensetzende Ausdruck $c$ in Gleichung 44 mit einem großen Fehler behaftet ist, zeigt die ihm zugeordnete Kurvenschar in Abbildung 60 eine deutliche Tendenz: für $\alpha_P>5\%$ gilt $\alpha_A>85\%$.

Dies bedeutet, dass bei einer Kontraktion fast nur proportionale Anteile Kräfte übertragen. Hingegen bei einer passiven Längung des Gewebes fast nur differentielle Anteile beteiligt sind. Zur Verdeutlichung: proportionale Anteile sind hier Gewebeanteile, die wie eine elastische Feder wirken ($F \sim l$), differenzielle Anteile sind hingegen Gewebeanteile, die wie ein viskoser Dämpfer wirken ($F \sim \dot l$).

Denn würden Kräfte bei Kontraktion hauptsächlich über differenzielle Anteile übertragen, so würde der Muskel einen Großteil der geleisteten Arbeit ineffektiverweise in Verformungen stecken und nicht in die erforderliche Kraftschlüssigkeit.

Bei der passiven Längung des Muskels würde hingegen ein zu hoher proportionaler Anteil bedeuten, dass z.B. ein stetiges Füllen des Corpus cavernosum (glatte Muskulatur) mit Blut nur mit einer starken Blutdruckzunahme einhergeht. Erst in Gegenwart von differenziellen Verhalten ist eine Volumenzunahme des Schwellkörpers und damit eine Längung seiner Muskulatur ohne großen Blutdruckanstieg möglich (siehe Abbildung 61). Für das Einstellen einer Erektion nach dem Füllen der Schwellkörper mit Blut sind andere Mechanismen verantwortlich.

Zusammenfassend kann also geschlossen werden, dass der erschlaffte Muskel auf langsame Längung sehr nachgiebig reagiert. Bei einer Aktivierung jedoch steigt die Steifigkeit des Muskels stark an. Im passiven Fall beträgt $\alpha _{pas}$ etwa 5% und im aktiven Fall ist $\alpha _{akt}$ ca. 90%. Die Steifigkeit nimmt also etwa auf das zwanzigfache zu. Bei einer Aktivierung entwickelt die glatte Muskulatur des Corpus cavernosum also nicht nur eine Kraft und/oder Längenabnahme, sondern auch die mechanischen Eigenschaften ändern sich grundlegend.

Der große Fehler des Parameters $c$ in Gleichung 44 ist möglicherweise auf eine zu erwartende Längenabhängigkeit von $c$ zurückzuführen. Die Aufteilungverhältnisse für proportionales und differenzielles Verhalten sind sicherlich längenabhängig. Für eine erste Abschätzung wurde in dieser Arbeit über alle Längen gemittelt.


next up previous contents
Nächste Seite: 4 Schlussteil Aufwärts: 3 Theoretischer Teil Vorherige Seite: 10 Parameteridentifikation   Inhalt
Thorsten Foerstemann (thorsten@foerstemann.name)